Bu sayfada 2025 Teknofest Efficiency challence için üretmiş olduğum PCB kartlar yer almaktadır.
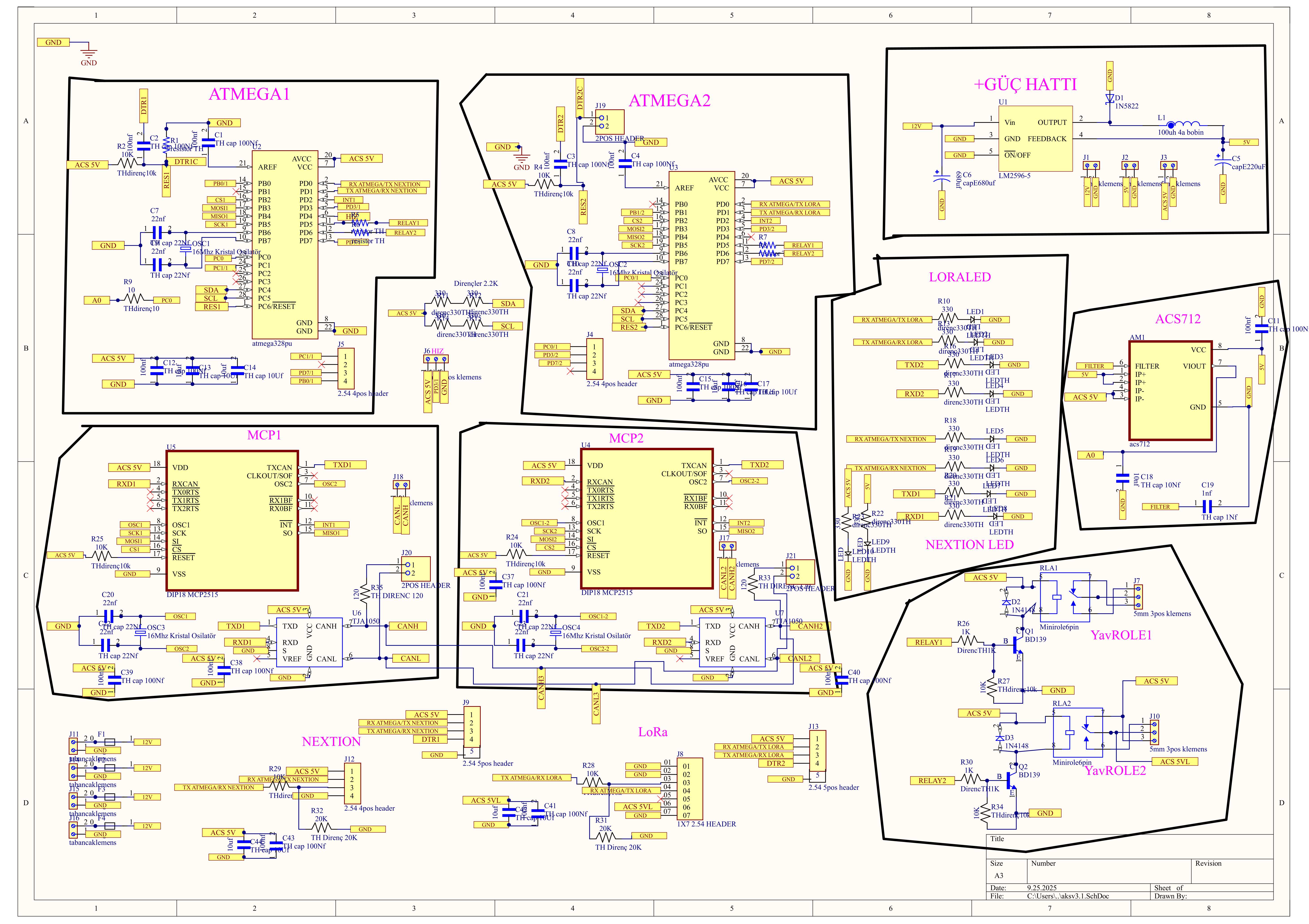
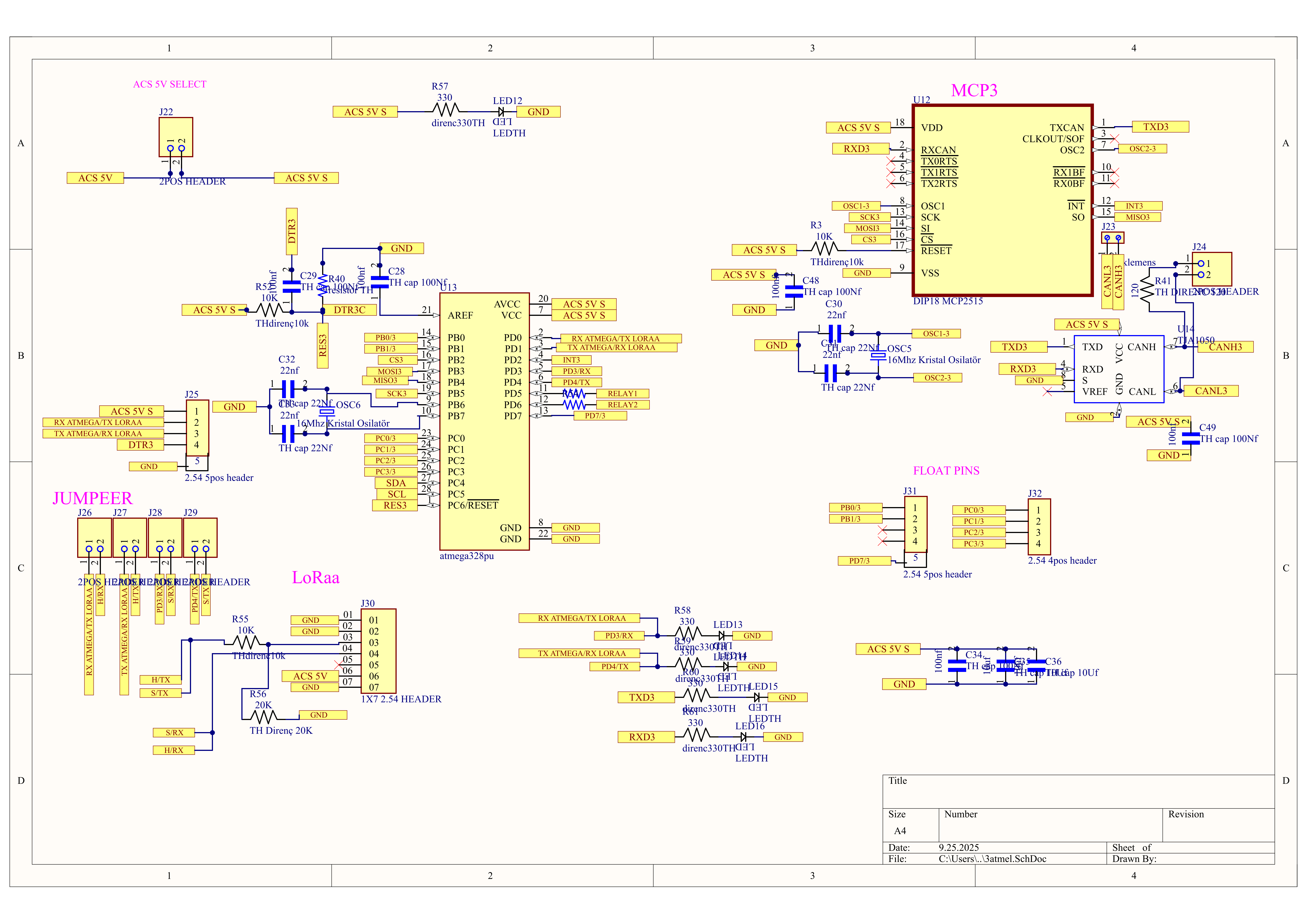
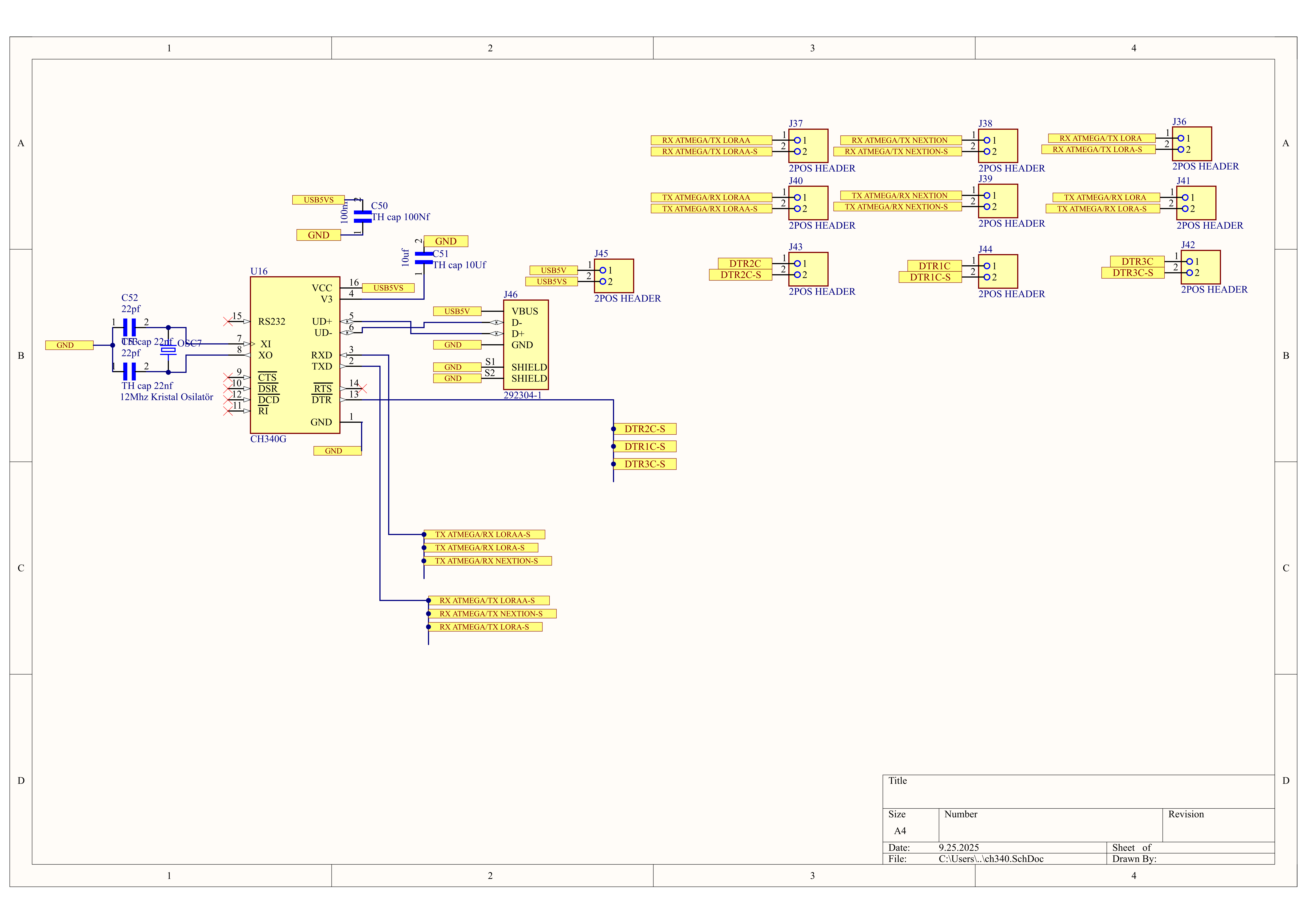
1-)Araç kontrol sistemi Revizyon 3.1:
Bu kart araç içi haberleşme(can), dışarı RF ile veri aktarımı(LoRa), araç verilerinin izlenmesi(hız, sıcaklık, batarya durumu, vb. için 3 Adet birbirine bağlı Atmega328p mikrodenetleyici kullanmaktadır. Ayrıca üzerinde lm2596 Buck entegresi, veri izleme ve kod atmak için ch340 usb arayüzü, kartın çektiği toplam akımı hesaplayabilmek için akım sensörü, ve debug için bölümler/ledler bulunmaktadır.
Sistemin şematiği: 



Sistemin PCB çizimi:
===========================================================================================================================
2- Gerilim izleyici
Atmega328p ve voltaj referansı olarak LM4040 4.096V kullanan ve araçta kullandığımız bataryanın (120V) gerilimini sürekli olarak ölçüp I2C hattı vasıtası ile 2x16 LCD ekrana yazdıran projemdir. Yine LM2596 kullanır ve opsiyonel olarak 5V çıkışları mevcuttur.
Şema:
Pcb: